- Los filtros de habitáculo basados en nanofibras son capaces de filtrar las catalogadas como ‘partículas muy finas’ (PM1), que pueden llegar a traspasar los pulmones y desembocar en el torrente sanguíneo transportando elementos tóxicos
- Este tipo de filtros demuestra una eficacia estable a largo plazo durante toda la vida útil del filtro y se pueden combinar con cualquier otro medio de filtración, tanto para la absorción de gases y olores, como para la inactivación de microorganismos
MANN+HUMMEL ha comenzado a desarrollar medios filtrantes de nanofibras en la gama de filtros de habitáculo para turismos.
Tras años desarrollando este tipo de filtros para vehículo industrial, y tras comprobar los buenos resultados que ha tenido la filtración basada en nanofibras en el ámbito del transporte comercial, MANN+HUMMEL ha decidido llevar esta tecnología también a la filtración del aire en los turismos en su propósito de velar por la máxima pureza del aire que respiran las personas.
Alrededor de siete millones de personas mueren al año a causa de afecciones provocadas por la contaminación atmosférica, según datos de la Organización Mundial de la Salud (OMS), y buena parte de estos fallecimientos son provocados “por las partículas en suspensión”, resalta la institución. En este sentido, desde hace décadas, la multinacional alemana lleva volcando sus esfuerzos en lograr la máxima pureza posible del aire que respiramos.
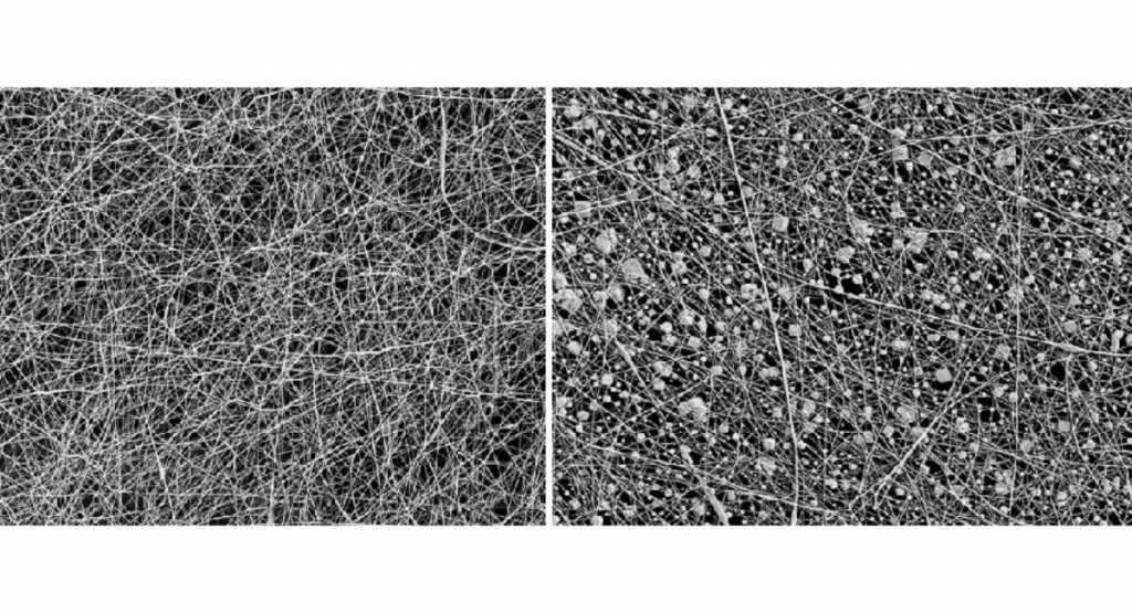
“De la mano de la tecnología de filtración a base de nanofibras se alcanza un elevado nivel de filtración”, señalan desde MANN+HUMMEL, y explican que “este tipo de filtración emplea un soporte portante de una capa extremadamente fina compuesta por fibras poliméricas, cuyo diámetro es inferior a un micrómetro”. Este tamaño es unas 200 veces inferior al del diámetro de las fibras del medio portante, y 650 veces más pequeño que el de un pelo humano.
Así, la alta concentración de estas fibras poliméricas asegura una gran eficacia de retención de las partículas finas inhalables con un diámetro inferior a 2,5 µm (PM2,5), que pueden llegar a los pulmones; y de las partículas muy finas con un diámetro inferior a 1 µm (PM1), pueden llegar a traspasar los pulmones y desembocar en el torrente sanguíneo, transportando compuestos tóxicos a partes sensibles del organismo.
De este modo, conforme a la norma ISO 16890, el medio filtrante de nanofibras ha obtenido la clasificación ePM1, lo que significa que la eficacia de filtrado de partículas PM1 puede alcanzar hasta el 95%.
Asimismo, esta tecnología aporta una baja resistencia al flujo de aire debido al escaso peso que representa la capa de fibras.
Otro dato destacado de los medios filtrantes basados en nanofibras es que prestan una eficacia estable a largo plazo durante de toda la vida útil del filtro, a diferencia de otros medios filtrantes tradicionales, que demuestran una eficacia de filtración menor con el paso del tiempo.
Un último aspecto que resaltar de esta tecnología es que se puede combinar con cualquier otro medio de filtración, ya sean medios filtrantes de partículas con carbón activado -para la absorción de gases y olores-, así como con medios filtrantes de capa biofuncional -para la inactivación adicional de microorganismos-. Y en este sentido, MANN+HUMMEL creará diversas soluciones ad-hoc para satisfacer los requisitos de los fabricantes de vehículos.

